Caractéristiques :
Le coupleur MG0601 est un dispositif d'installation modulaire qui combine les fonctions d'un coupleur de ligne KNX et d'un répéteur de ligne KNX. Lorsqu'il est utilisé comme coupleur de ligne, il relie les lignes principales et les lignes régionales. En tant que répéteur de ligne, il peut connecter plus de 64 appareils sur un bus. L'isolation électrique est ainsi assurée.
Le coupleur envoie des adresses physiques, des adresses de groupe et des messages de diffusion par chemin. Le message d'adresse physique est envoyé en fonction du chemin, et le coupleur compare l'adresse physique cible avec sa propre adresse physique. Le filtrage automatique détermine si les paquets d'adresses physiques correspondants sont transmis. Les paquets suivent ou non le chemin en fonction de la configuration des paramètres. Si le coupleur n'a pas reçu l'adresse physique attribuée au projet, il se peut que l'appareil ne puisse pas communiquer pendant la mise en service.
Le coupleur fournit une table de filtrage, tous les messages de groupe présents dans la table de filtrage seront acheminés, sinon ils seront bloqués, réduisant ainsi la charge du bus. La table de filtrage est générée automatiquement par l'outil logiciel ETS en fonction du système de mise en service. Il est utile de configurer les adresses des groupes de filtrage dans la table de filtrage, en particulier pendant le débogage et le diagnostic.
Dans l'adresse du groupe, l'adresse du groupe principal est 0....13, il peut configurer le filtrage et d'autres paramètres. Les adresses de groupe principales des paquets de groupe 14....31 n'effectuent aucune configuration d'isolement. Si le coupleur envoie le message le long du chemin sans recevoir d'accusé de réception ou d'erreur de transmission, répéter le message jusqu'à 3 fois. En même temps, afin d'éviter une répétition erronée des messages de groupe, les deux lignes de la réponse sont réglées séparément. Dans la configuration standard, ce paramètre peut être réglé séparément.
Le fichier de programmation ETS est en anglais.
Ses fonctions :
●Il peut être utilisé comme coupleur de ligne de dérivation KNX pour filtrer les messages et réduire la charge du bus.
●Il peut être utilisé comme répéteur KNX pour étendre la ligne de dérivation KNX.
●Supporte la topologie KNX du réseau de dérivation.
Prix : envoyez-nous un message à contact@world-led-france.com ou via le formulaire de la page contact.
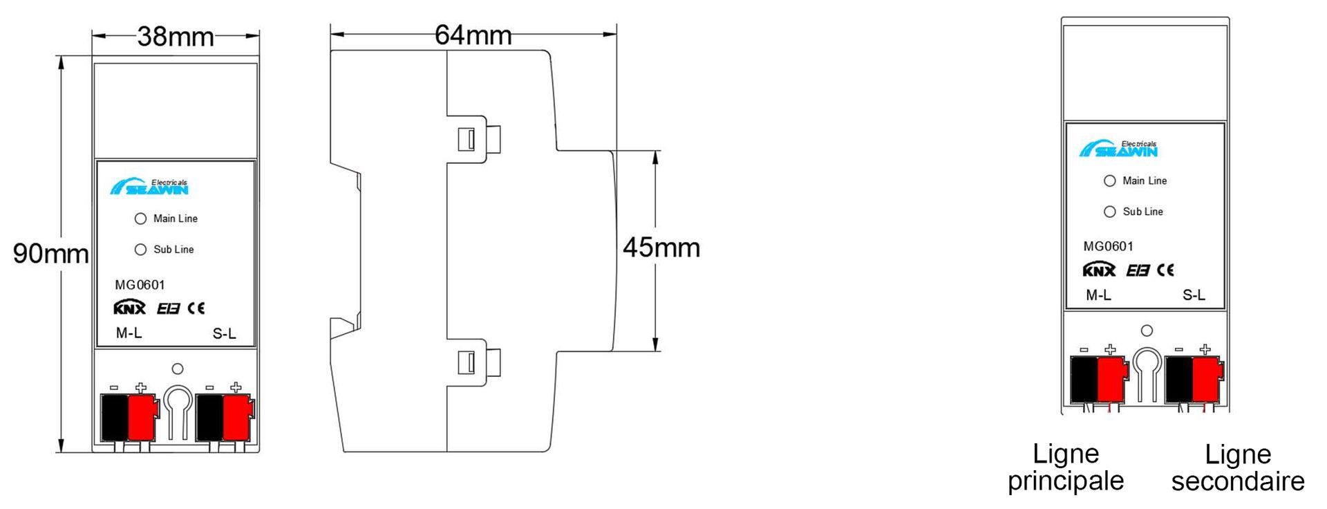
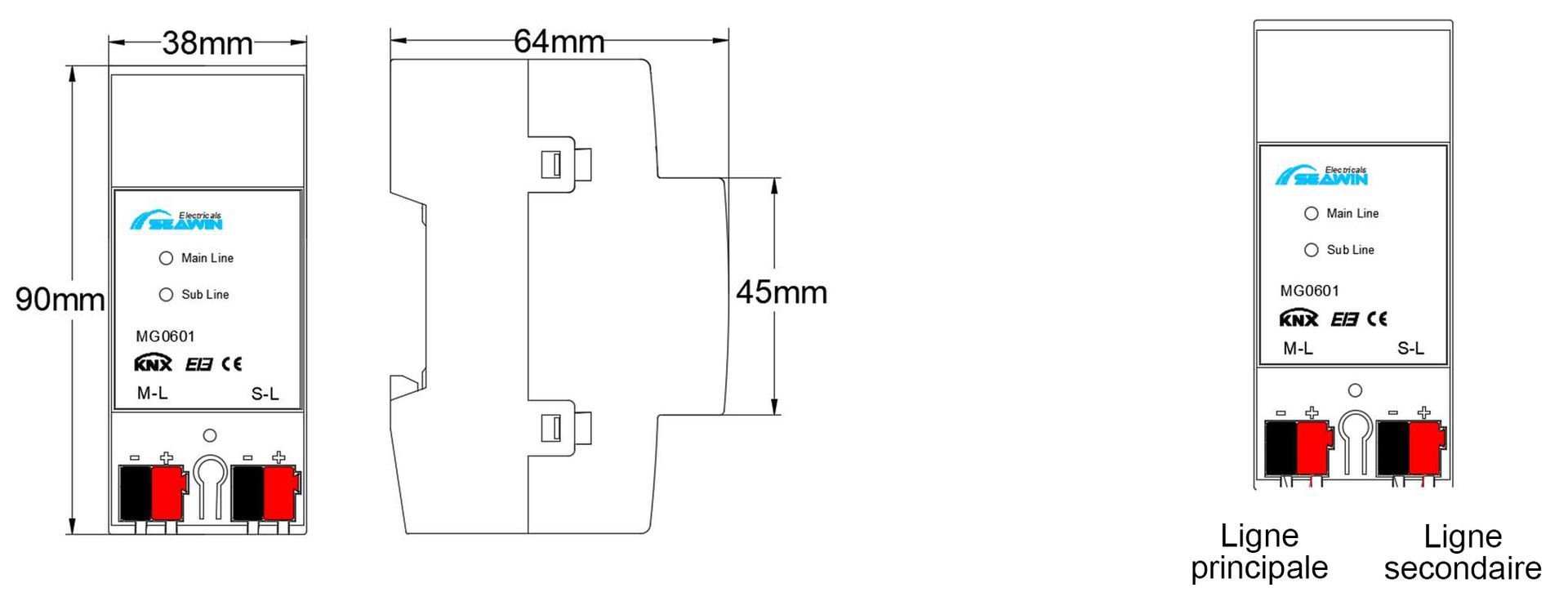
Dimensions : Branchement :
 
  
 


